Questo sito usa i cookie per fornirti un'esperienza migliore. Cliccando su "Accetta" saranno attivate tutte le categorie di cookie. Per decidere quali accettare, cliccare invece su "Personalizza". Per maggiori informazioni è possibile consultare la pagina Informativa Cookies.
Ricerca avanzata
Pompe scarico condensa
NTH 14-E800 Kit minipompa per condensa preassemblato port. Max 11 l/h Neotech Dimens.mm 970 x 170 x H 60
€ 298,90 Sconto 65%
€104,62 Iva Inclusa
€ 99,95 (a partire da 3 PZ)
Cronotermostati
Cronotermostato ambiente a radiofrequenza bianco "smart plus AAR" programmazione settimanale
€ 286,70 Sconto 65%
€100,35 Iva Inclusa
- Cronotermostato ambiente bianco alimentazione a batterie "SMART PLUS AA" settimanale
- Cronotermostato mod.FREETIME PLUS a batteria, giornaliero, due livelli di temp. + funz. antigelo con cavalieri
- Termostato ambiente bianco per fan coil alimentazione 230V "SMART ICE" con sonda
- Termostato ambiente meccanico bianco per fan coil alimentazione 230V "ICE"
- Cronotermoigrostato digitale alimentato a batteria per regolazione caldo/freddo e umidificazione/deumidificazione
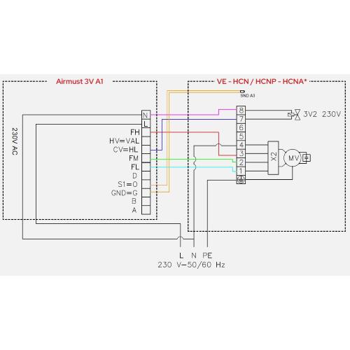
Airmust 3V A1 - Comando cronotermostato Wi-Fi touch screen per installazione a parete
Feedback degli utenti
| Prezzo: |
|
|---|---|
| Codice Articolo: | AIRM010 |
| Marca: | MAXA |
| Cod. Produttore: | 011993#780000 |
| Modello: | Comandi e Wi-fi |
| Serie: | Comandi |
| Colore: | BIANCO |
| Garanzia: | 2 Anni |
| Alimentazione: | 220 V |
| Quantità minima ordinabile: | 1 |
| Unità di misura: | PZ |
| Disponibilità: | Non disponibile o in Arrivo |
| Quantità: |
Maggiori dettagli
• Touch screen a colori 3,5" LCD
• Risoluzione LCD: 480x320px
• Alimentazione 230V
• Corrente massima (3V A1): 3A
• Funzione termostato inclusa
• ModBus
• Connettività Wi-Fi 2.4G
• APP disponibile per Android ed iOS: My House Pro
• Versione a 3 velocità (3V) oppure per motori 0-10V (010)
• Per impianti 2 tubi e 4 tubi
• Ingresso contatto finestra
• Ingresso sonda acqua
• Luminosità automatica
• Sensore di temperatura ambiente
• Sensore di umidità relativa
• Gestione della modalità di funzionamento
• Interasse di montaggio con standard Europeo
• Storico della temperatura e della umidità rilevate
• Cambio automatico da estivo ad invernale
• Gestione automatica del cambio orario (legale/solare)
• Multilingua
• Calendario settimanale
• Cronoprogrammazione settimanale
• Risoluzione LCD: 480x320px
• Alimentazione 230V
• Corrente massima (3V A1): 3A
• Funzione termostato inclusa
• ModBus
• Connettività Wi-Fi 2.4G
• APP disponibile per Android ed iOS: My House Pro
• Versione a 3 velocità (3V) oppure per motori 0-10V (010)
• Per impianti 2 tubi e 4 tubi
• Ingresso contatto finestra
• Ingresso sonda acqua
• Luminosità automatica
• Sensore di temperatura ambiente
• Sensore di umidità relativa
• Gestione della modalità di funzionamento
• Interasse di montaggio con standard Europeo
• Storico della temperatura e della umidità rilevate
• Cambio automatico da estivo ad invernale
• Gestione automatica del cambio orario (legale/solare)
• Multilingua
• Calendario settimanale
• Cronoprogrammazione settimanale
Ultimi consultati
Utenti Registrati: 11731
Utenti in Linea: 91
Ultima Sincronizzazione:
21/04/2026
20:57
